XGN2-12箱式固定式金属封闭开关设备
所属分类:高压开关柜系列
联系电话:0577-61735578
传真:0577-61732776
邮箱:1577927789@qq.com
地址:浙江省温州市乐清市乐清经济开发区滨海南三路28号5栋4楼
概述 Overview
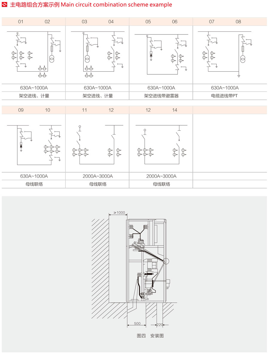
XGN2-12箱型固定式金属封闭开关设(简称“开关设备”),适用于额定电压为3.6〜12kV、50Hz,额定电流630A~3150A三相交流单母线、双母线、单母线带旁路系统,作为接受和分配电能之用。可满足各种类型发电厂、变电站(所)及工矿企业使用要求。 本产品符合国家标准GB3906《3〜35kV交流金属封闭开关设备》、IEC60298《交流金属封闭开关设备和控制设备》、及DL/T402、DL/T404标准,达到“五防”闭锁要求。

正常使用条件 Normal use condition
◊周围空气温度:-15℃〜+40℃;
◊海拔高度:1000m及以下;
◊湿度:曰平均值不大于95%,水蒸气压力日平均值不超2.2kPA;
月平均值不大于90%,水蒸气压力月平均值不超1.8kPA; ◊地屦烈度:不超过8度;
◊没有腐蚀性或可燃性气体等明显污染的场所。
注:有要求可与本公司协商解决












COPYRIGHT © 2023 浙江晨亿电气有限公司 ALL RIGHTS RESERVED 技术支持:米点云建站 浙ICP备2022013742号-1