HXGN17-12箱式固定式交流金属封闭开关设备
所属分类:高压开关柜系列
联系电话:0577-61735578
传真:0577-61732776
邮箱:1577927789@qq.com
地址:浙江省温州市乐清市乐清经济开发区滨海南三路28号5栋4楼
概述 Overview
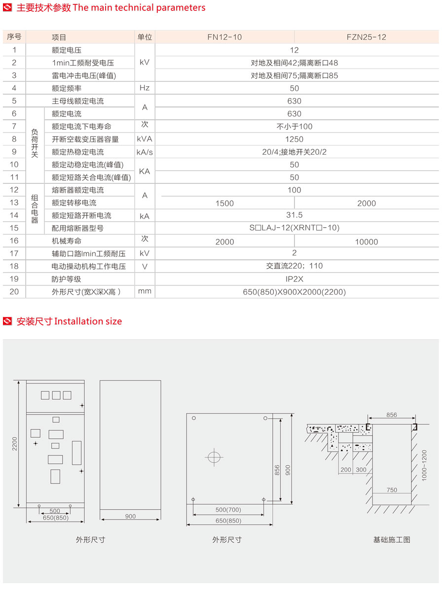
HXGN17-12型箱型固定式金属封闭开关设备(简称环网柜)是额定电压12kv。额定频率50Hz的交流高压成电器装置,主要用于三相交流坏网,终端配电网和工业用电设备,起接受、分配电能和等作用,它也适于装备入箱式变电站。

正常使用条件 Normal use condition
◊周围空气温度:-15℃〜+40℃;
◊海拔高度:1000m及以下;
◊湿度条件:日平均值不大于95%,水蒸气压力日平均值不超2.2kPa;月平均值不大于90%,水蒸气压力月平均值不超1.8kPa;
◊地震烈度:不超过8度;
◊没有腐蚀性或可燃性气体等明显污染的场所。
注:超出上述正常使用条件时,用户可与本公司协商。







COPYRIGHT © 2023 浙江晨亿电气有限公司 ALL RIGHTS RESERVED 技术支持:米点云建站 浙ICP备2022013742号-1