GCS低压抽出式开关柜
所属分类:低压开关柜系列
联系电话:0577-61735578
传真:0577-61732776
邮箱:1577927789@qq.com
地址:浙江省温州市乐清市乐清经济开发区滨海南三路28号5栋4楼
用途 Use
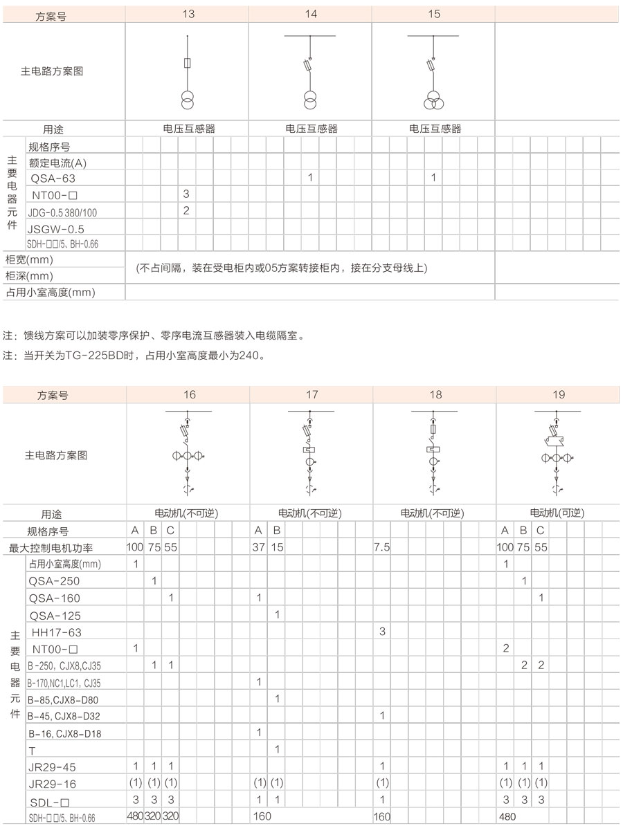
GCS型低压抽出式开关柜,适用于发电厂、石油、化工、冶金、纺织、高层建筑等行业的配电系统。在大型发电厂、石化系统等自动化程度高,要求与计算机接口的场所,作为三相交流频率为50(60)Hz、额定工作电压为400V、660V,额定电流为5000A及以下的发、供电系统中的配电、电动机集中控制、无功功率补偿使用的低压成套配电装置。装置的设计符合下列标准:IEC439-1《低压成套开关和控制设备》GB7251《低压成套开关设备》

正常使用条件 Normal use condition
◊周围空气温度不高于+40℃,不低于-5℃, 24小时内平均温度不得高于+35℃。超过时,需根据实际情况降容运行;
◊户内使用,使用地点的海拔高度不得超过2000m;
◊周围空气相对湿度在温度为+40℃:时不超过50%,在较低温度时允许有较大的相对湿度,如+20℃时为90%,应考虑到由于温度的变化可能会偶然产生凝露的影响;
◊装罝安装时与垂直面的倾斜度不超过5° ,且整组柜列相对平整(符合GBJ232-82标准);
◊装皆应安装在无剧烈琪动和冲击以及不足以使电器元件受到不应有腐蚀的场所;
◊用户有要求时,可以与制造厂协商解决。










COPYRIGHT © 2023 浙江晨亿电气有限公司 ALL RIGHTS RESERVED 技术支持:米点云建站 浙ICP备2022013742号-1