GN30-12户内旋转式高压隔离开关
所属分类:隔离开关系列
联系电话:0577-61735578
传真:0577-61732776
邮箱:1577927789@qq.com
地址:浙江省温州市乐清市乐清经济开发区滨海南三路28号5栋4楼
概述:
GN30-12旋转式户内高压隔离开关是一种旋转触刀式的隔离开关,主要 结构是在三相共底架上,下两个平面上,固定两组绝缘子及触头,通过旋转触刀,从而实现开关的分合闸。
GN30-12D开关是在GN30-12型开关基础上增加带接地刀的形式,可满足不同电力系统的需要,本产品设计贤能背 占用空间小 绝缘能力强。易于安装调整,其性能符合GB1985-89《交流高压隔离开关和接地开关》的要求,适用于额定电压12千伏交流50Hz及以下户内电力系统中,作为在有电压无负载情况下,分合电路之用。可与高压开关柜配套使用,也可单独使用。
GN30-12旋转式户内高压隔离开关是一种旋转触刀式的隔离开关
型号含义:

正常使用条件:
◇海拔高度不超过1000m;
◇相对湿度:日平均值不大于95%,月平均值不大于90%
◇地震烈度不超过8度;
◇无严重粉尘、化学腐蚀性和爆炸性物质的场所。
◇无经常性剧烈振动的场所
主要技术参数:
产品型号规格 参数 项目 | GN30-12/400-12.5 | GN30-12/630-20 | GN30-12/1000-31.5 | GN30-12/1250-31.5 | |
GN30-12D/400-12.5 | GN30-12D/630-20 | GN30-12D/1000-31.5 | GN30-12D/1250-31.5 | ||
额定电压(KV) | 12 | ||||
电压(KV) | 12.7 | ||||
额定电流(A) | 400 | 630 | 1000 | 1250 | |
热稳定电流(KA) | 12.5 | 20 | 31.5 | ||
热稳定时间(S) | 4 | ||||
动稳定电流(KA) | 31.5 | 50 | 80 | ||
额定绝缘水平
| 雷电冲击电压(KV) | 相间 相地75 断口85 | |||
1min 工频耐压(KV) | 相间 相地42 断口48 | ||||
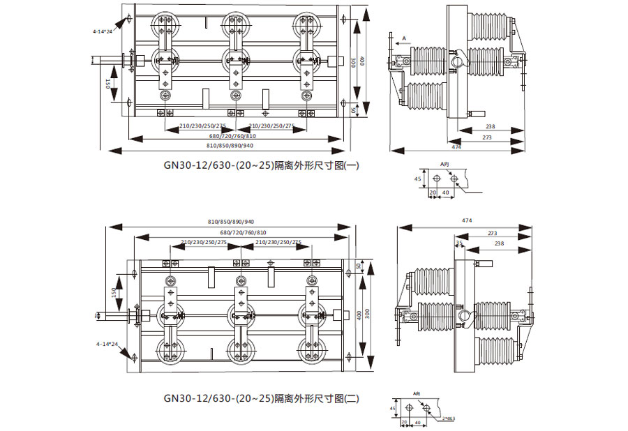
外形及安装尺寸:

COPYRIGHT © 2023 浙江晨亿电气有限公司 ALL RIGHTS RESERVED 技术支持:米点云建站 浙ICP备2022013742号-1